【10年放置されていたトイレ錠、ついに復活へ。
2026/02/09
【10年放置されていたトイレ錠、ついに復活へ。専門対応の裏側を少しだけ】
本日2件目のご依頼は、10年前にリフォームされたお宅のトイレ表示錠。
リフォーム後わずか1年でロックがかからなくなり、そのまま10年間壊れた状態で使い続けてこられたとのことでした。
ご自身で直そうと色々調べてみたものの、どうにもならずご連絡をいただいたそうです。
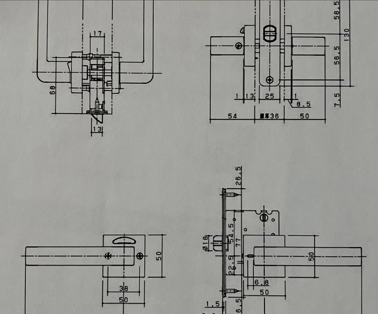
現場で確認すると、パナホーム専用の特殊デザイン。
通常より大きいケースで、構造も一般的なものとは違い、レバー側にロック機構が仕込まれているタイプでした。
ケースの形状からOEMは技研社だろうと推測しサイズを確認すると一致。
ただし技研の一般的なトイレ錠に交換しようとすると、貫通穴45mmに対して化粧座47mm。
ギリギリすぎて安全に収まらないため、一度持ち帰って正規品を調べることに。
調査の結果、同じ錠前が取り寄せ可能と判明。
パナソニックの内装ドアレバーハンドルA3型表示錠でした。
お客様には同じ物で交換できるので費用も抑えられますと説明したのですが、
過去に1年で壊れた経験があるため、かなり不安を抱えておられました。
保証についても質問がありましたが、鍵類は機械ではなく金物扱いのため基本的にメーカー保証がありません。
そのため、もし初期不良があれば、私たち鍵屋が会社負担になるので保証が出来ません。
(取付の問題で有れば保証出来るのですが)
その点も丁寧に説明し、ご納得いただいたうえでご注文となりました。
そして今回の錠前は、注文後3日ほどで入荷予定。入荷次第すぐに交換するお約束も済んでいます。
長年の不便がようやく解消されるので、お客様もホッとされていました。
10年前の故障は、たまたま外れ個体に当たった可能性も十分あります。
実際、鍵メーカーで保証対応してくれる会社は多くありませんが、当社がよく扱うKABA社は保証対応が手厚いことが多く、信頼して使えるメーカーのひとつです。
特殊な錠前やリフォーム後の不具合など、
どこに頼めばいいかわからない…というお悩みは意外と多いもの。
同じように困っている方の参考になれば嬉しいです。
安心して使える住まいづくりを、これからも丁寧にサポートしていきます。






